BWD-3KR系列干式變壓器溫控器
BWDK-3KR干式變壓器溫度控制器是福州英諾科技自主研發生產的干式變壓器智能溫度控制箱,廠家直銷,可根據客戶需求進行功能和尺寸的定制,產品價格聯系電話:400-181-6499
- 規格參數
- 安裝尺寸
干式變壓器溫控器技術指標
| 環境溫度: | -20℃~+55℃ |
| 環境濕度: | < 95% (25℃) |
| 工作電壓: | AC 220V (+10%,-15%) |
| 工作頻率: | 50Hz或60Hz(±2Hz) |
| 測量范圍: | -30.0℃~240.0℃ |
| 測量精度: | ±1%FS(溫控器0.5級,傳感器B級) |
| 分辨率: | 0.1℃ |
| 風機輸出容量: | 9A/250VAC |
| 控制輸出容量: | 5A/250VAC;5A/30VDC(阻性) |
| 溫控器功耗: | ≤8W |
| 生產標準: | JB/T7631-2016《變壓器用電子溫控器》行業標準 |
| 通過認證標準: | ISO9001:2016國際質量管理體系認證 |
| 通過試驗標準: | IEC61000-4:1995 國際標準 |
| 通過技術標準: | GB/T17626-2008《電磁兼容試驗和測量技術》標準 |
福建福州英諾電子科技有限公司干式變壓器溫控儀品牌型號齊全, 溫控器接線圖及說明書原理簡單,廠家直銷、價格合理,歡迎詢價!
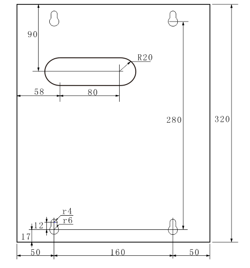
| 開孔尺寸: | 280mm × 160mm |
| 外觀尺寸: | 320mm × 260mm × 90mm |
BWD-3KR溫控器尺寸圖

BWD-3KR 安裝示意圖

安裝步驟:
(1)在變壓器箱體上按安裝尺寸圖加工好4個固定孔。
(2)用M8螺絲將溫控與變壓器箱體固定好。
BWDK-3KR 溫控器端子接線圖(附加功能請來電咨詢)

注:若此接線圖與BWD-3KR溫控器實物接線圖不一致時,以BWD-3KR溫控器上實物接線圖為準。


